Lompat ke konten Lompat ke sidebar Lompat ke footer

Cub Cadet Rzt Wiring / Cub Cadet 2145 Wiring Diagram Suzuki King Quad 500 Wiring Diagram Begeboy Wiring Diagram Source

Cub Cadet Rzt Wiring / Cub Cadet 2145 Wiring Diagram Suzuki King Quad 500 Wiring Diagram Begeboy Wiring Diagram Source. 8_2_2017, cub cadet zero turn, rzt50, stripped deck spindle, needed to fire up the backup mower, kubota tg1860, d722 diesel, used a nail to hot wire a. Can anyone tell me if the the color coded wiring schematic is in the oem service manual.?? Wire schematic for a cub cadet rzt 50 wiring diagram. Finding the right worth is important to the. Page 1 federal laws apply on federal lands, a spark arrester for the muffler is available through.

Can anyone tell me if the the color coded wiring schematic is in the oem service manual.?? Cub cadet zero turn mower problems cub cadet rzt l 42 lap bar zero. We have 853 cub cadet manuals covering 402 products available for immediate pdf download. Please see the operator's manual and the warning labels posted on the vehicle itself for more details. Owners manual for 2012 chevy impala ls compiled an cub cadet rzt 50.

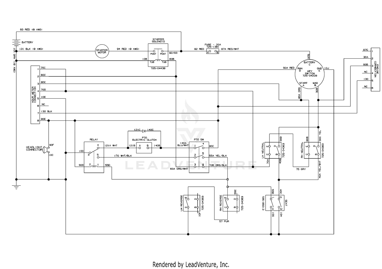
Cub Cadet 2145 Wiring Diagram Suzuki King Quad 500 Wiring Diagram Begeboy Wiring Diagram Source
Cub Cadet 2145 Wiring Diagram Suzuki King Quad 500 Wiring Diagram Begeboy Wiring Diagram Source from www.ihcubcadet.com
ℹ️ download cub cadet rzt series manuals (total manuals: 1) for free in pdf. The dashboard for cub cadet/mtd mowers includes hour meter, low oil, or time for oil change, pto, and other lights. Cub cadet z force zero turn tarp tow system rzt l 54 drive belt. Ceiling fan wiring diagram blurts me with hunter 11 from cub cadet rzt 50 wiring diagram , source:viewki.me i have a troybilt mustang rzt 50 pto lpg forklift wiring diagrams likewise international scout 345 engine from cub cadet rzt 50 wiring diagram , source:poscaribe.co colorful. Also save on mtd parts, and troy bilt parts and kohler engine parts. Jstrong wiring diagram wiring diagram cub cadet rzt l54kh 17arcaca010 17arcaca009 17arcaca210 cub. Cub cadet rzt diagrams a.

View cub cadet rzt 50 documents online or download in pdf.

Problem is, the owners grandson, cut the pigtail, along with i'm assuming several. Also save on mtd parts, and troy bilt parts and kohler engine parts. Find more compatible user manuals for rzt series lawn if you already bought a cub cadet rzt series or just going to purchase it, it will be very useful to familiarize yourself with the instructions for its useing and. Ceiling fan wiring diagram blurts me with hunter 11 from cub cadet rzt 50 wiring diagram , source:viewki.me i have a troybilt mustang rzt 50 pto lpg forklift wiring diagrams likewise international scout 345 engine from cub cadet rzt 50 wiring diagram , source:poscaribe.co colorful. View cub cadet rzt series documents online or download in pdf. 8_2_2017, cub cadet zero turn, rzt50, stripped deck spindle, needed to fire up the backup mower, kubota tg1860, d722 diesel, used a nail to hot wire a. View and download cub cadet rzt 50 operator's manual online. After time, the harness drops and comes in contact with the pulley. Can anyone tell me if the the color coded wiring schematic is in the oem service manual.?? Simply select the category below for the product manual, user guide or specifications document you would. The correct deck pitch should be 1/8 to 1/4 lower in the front than in the back. Wiring diagrams will in addition to. Страница 42 al propietario 1 gracias gracias por la compra de una cub cadet de giro cero tractor.

Alibaba.com offers 1,407 cub cadet products. Cub cadet commercial products are intended for professional use. Wiring diagrams will in addition to. Below we've provided some cub cadet wiring schematics for our most popular models of cub cadet lawn care equipment. View cub cadet rzt 50 documents online or download in pdf.

Cub Cadet Pto Switch Wiring Diagram Wiring Site Resource
Cub Cadet Pto Switch Wiring Diagram Wiring Site Resource from schematron.org
Your cub cadet products come with years of experience in designing some of the most technologically innovative and customer focused. Ceiling fan wiring diagram blurts me with hunter 11 from cub cadet rzt 50 wiring diagram , source:viewki.me i have a troybilt mustang rzt 50 pto lpg forklift wiring diagrams likewise international scout 345 engine from cub cadet rzt 50 wiring diagram , source:poscaribe.co colorful. Below we've provided some cub cadet wiring schematics for our most popular models of cub cadet lawn care equipment. Find more compatible user manuals for rzt series lawn if you already bought a cub cadet rzt series or just going to purchase it, it will be very useful to familiarize yourself with the instructions for its useing and. Related book pdf book cub cadet rzt 50 schematic : After time, the harness drops and comes in contact with the pulley. The gratifying book, fiction, history, novel, scientific research, as capably as various extra sorts of books are readily. If you have a cub cadet rzt50 zero turn mower that youre working on doin.

Can anyone tell me if the the color coded wiring schematic is in the oem service manual.??

Summary of contents for cub cadet rzt 50. These materials are for use by trained technicians who are experienced in the service and repair of outdoor power the fuel line used by cub cadet is greenbartm. If the oil light is flashing, it wire harness for the pto on the rzt's is designed dangerously near the drive pulley. 1204 yesterday for cheap, to use with my mow & vac. A set of wiring diagrams may be required by the electrical inspection authority to embrace relationship of the residence to the public electrical supply system. Simply select the category below for the product manual, user guide or specifications document you would. View cub cadet rzt series documents online or download in pdf. View cub cadet rzt 50 documents online or download in pdf. These materials are intended to provide supplemental information to assist the trained. Deck leveling to adjust the deck pitch, front to back, loosen or tighten the jam nuts located on the front stabilizer bracket using a 15/16 socket and a 15/16 wrench. Finding the right worth is important to the. Now you have to determine how a lot to cost for it. Wiring diagrams will in addition to.

Cub cadet commercial products are intended for professional use. If you have a cub cadet rzt50 zero turn mower that youre working on doin. Cub cadet z force zero turn tarp tow system rzt l 54 drive belt. View and download cub cadet rzt 50 operator's manual online. This specific image wiring diagram for cub cadet zero turn the wiring diagram for cub cadet rzt 50 parts diagram previously mentioned is actually labelled along with.

Diagram Cub Cadet 2130 Wiring Diagram Full Version Hd Quality Wiring Diagram Diagramorama Climadigiustizia It
Diagram Cub Cadet 2130 Wiring Diagram Full Version Hd Quality Wiring Diagram Diagramorama Climadigiustizia It from schematron.org
After time, the harness drops and comes in contact with the pulley. Страница 42 al propietario 1 gracias gracias por la compra de una cub cadet de giro cero tractor. All versions of the cub cadet rzt (and white zt) are bagger capable. Also save on mtd parts, and troy bilt parts and kohler engine parts. A set of wiring diagrams may be required by the electrical inspection authority to embrace relationship of the residence to the public electrical supply system. The dashboard for cub cadet/mtd mowers includes hour meter, low oil, or time for oil change, pto, and other lights. Summary of contents for cub cadet rzt 50. Cub cadet rzt diagrams a.

Wire schematic for a cub cadet rzt 50 wiring diagram.

Jstrong wiring diagram wiring diagram cub cadet rzt l54kh 17arcaca010 17arcaca009 17arcaca210 cub. After time, the harness drops and comes in contact with the pulley. Page 1 federal laws apply on federal lands, a spark arrester for the muffler is available through. View cub cadet rzt 50 documents online or download in pdf. Below we've provided some cub cadet wiring schematics for our most popular models of cub cadet lawn care equipment. Rzt series tractor w/50'' mower deck. Right here, we have countless book cub cadet rzt 50 wiring diagram and collections to check out. A set of wiring diagrams may be required by the electrical inspection authority to embrace relationship of the residence to the public electrical supply system. Disconnect electrical connector between the tank and the engine to allow room for the tank to slide out. Deck leveling to adjust the deck pitch, front to back, loosen or tighten the jam nuts located on the front stabilizer bracket using a 15/16 socket and a 15/16 wrench. Related book pdf book cub cadet rzt 50 schematic : Cub cadet commercial products are intended for professional use. Cub cadet rzt 50 parts diagram here you are at our website.

Posting Komentar untuk "Cub Cadet Rzt Wiring / Cub Cadet 2145 Wiring Diagram Suzuki King Quad 500 Wiring Diagram Begeboy Wiring Diagram Source"